Бренды
-
-
- Дисковые муфты и тормоза с воздушным охлаждением
- Комбинированные муфты-тормоза
- Муфты и тормоза расширяющегося типа
- Быстродействующие выпускные клапаны
- Барабанные тормоза с пружинным замыканием
- Дисковые тормоза с суппортом Airflex DP и DPA
- Муфты и тормоза
- Тормоза с водяным охлаждением
- Муфты с ограничением крутящего момента
- Вращающиеся уплотнения
- Перечень продукции Eaton
-
- Компрессионные фитинги
- Штуцеры, вставляемые нажатием
- Масленка с углубленной головкой
- Прямые смазочные ниппели
- Смазочные ниппели угловые
- Кнопочные смазочные ниппели
- Анкерные блоки
- Винтовые быстросъемные соединения с двумя уплотнениями
- Скобы для крепления труб с двумя крепежными отверстиями
- Скобы для крепления труб с одним крепежным отверстием
-
- MiQueL EXT - Внешний насос
- MiQuel - Модульная система воздушно-масляной смазки
- MKD Dual
- VIP4Air
- VIP4 Chain
- VIP4Air/Slave
- VIP4Air - VIP4Air/Continuous Air
- VIP4Tools
- VIP4Tools/Oil
- Vip4Tools Pro
- Коаксиальная система VIP4Tools
- VIP4Tools/Двойного действия
- Grip
- Вакуумный насос
- Труба сплиттер масло/воздух
- Сплиттер блок масло-воздух
- Смесительный клапан
- OIL IN AIR SENSOR
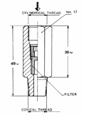
Фитинг с фильтром для линии подачи
Фитинг с фильтром для линии подачи
Технические характеристики:
- Корпус из оцинкованной стали
- Фильтр из спеченной бронзы
- Корпус из оцинкованной стали
- Фильтр из спеченной бронзы



